SAD-13溫濕照土壤溫度傳感器采集、傳輸一體化設計,超低功耗,可集成多種傳感器及變送器,智能管理、智能傳輸。傳輸距離遠,采用無線2.4G zigbee協議,抗干擾能力更強。16物理信道可選,65535個網絡ID可設,組網能力更強。適用于室內環境測量、農業大棚智能管理等。
技術參數
通用參數
供電:DC 12V(9V~28V)或電池供電(1#鋰離子電池3.6V)
工作頻段:2.4GHz
網絡:ZigBee PRO協議
通信距離:≤800m(空曠環境)
信道:16個(0x00~0x0F)
網絡ID:0x0000-0xFFFE
波特率:38400bps
數據傳輸格式主動上報
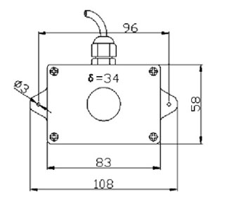
主體外殼:ABS白色147mm x 112mm x 46mm(不含探頭)
溫度參數
供電:DC 12V(9V~28V)或電池供電(1#鋰離子電池3.6V)
量程:環境溫度:-20℃~60℃
準確度:環境溫度: ±0.5℃(25℃)
長期穩定性:環境溫度:≤0.5℃/y
分辨率:0.1℃
工作時間:≤1s
啟動時間:≤1s
休眠時間:設置范圍60s~65535s(默認60s)
工作環境:-20℃~60℃;5%RH~95%RH(非結露)
存儲條件:-20℃~60℃;5%RH~95%RH(非結露)
功耗:最大≤0.3W
休眠≤15μW
響應時間:<30s(1m/s風速)
電池壽命:1年(1次/min,25℃±5℃,電量19Ah)
安裝方式:一體式
濕度參數
供電:DC 12V(9V~28V)或電池供電(1#鋰離子電池3.6V)
量程:環境濕度:0%RH~100%RH
準確度:環境濕度:±3%RH(5%RH~95%RH,25℃)
分辨率:0.1%RH
長期穩定性:環境濕度:≤1%RH/y
工作時間:≤1s
啟動時間:≤1s
休眠時間:設置范圍60s~65535s(默認60s)
工作環境:-20℃~60℃;5%RH~95%RH(非結露)
存儲條件:-20℃~60℃;5%RH~95%RH(非結露)
功耗:最大≤0.3W
休眠≤15μW
響應時間:<30s(1m/s風速)
電池壽命:1年(1次/min,25℃±5℃,電量19Ah)
安裝方式:一體式
土壤溫度參數
供電:DC 12V(9V~28V)或電池供電(1#鋰離子電池3.6V)
量程:-20℃~60℃
準確度:±0.5℃(25℃)
分辨率:0.1℃
長期穩定性:≤0.1℃/y
工作時間:≤1s
啟動時間:≤1s
休眠時間:設置范圍60s~65535s(默認60s)
工作環境:-20℃~60℃;5%RH~95%RH(非結露)
存儲條件:-20℃~60℃;5%RH~95%RH(非結露)
功耗:最大≤0.3W
休眠≤15μW
響應時間:<30s
電池壽命:1年(1次/min,25℃±5℃,電量19Ah)
安裝方式:分體式,線長3.5m,標準
功能特點
多種傳感器高度集成
符合2.4GHz ZigBee協議
超低功耗設計,產品壽命長
測量準確度高,抗干擾能力強
網絡節點數量大,傳輸距離遠
外形尺寸


(1)實時監測功能 智能農業物聯網系統通過傳感設備實時采集溫室(大棚)內的空氣溫度、空氣濕度、二氧化碳、光照、土壤水分、土壤溫度、棚外溫度與風速等數據;將數據通過移動通訊網絡傳輸給服務管理平臺,服務服管…...
北京方大天云的便攜式自動氣象站是一款集成固化、高可靠、微功耗、體積輕巧、可快速安裝的小型氣象站及移動氣象站。高精度的氣壓、溫度、濕度、風向風速、降水實時測量與存儲,多種無線通信方式與免調試特點使其非常適…...
大中城市,布設至少包括氣壓、溫度、風向、風速和降水量的五要素自動氣象站,在經費許可的情況下,增加濕度觀測。其他地區的加密自動氣象(雨量)站,至少包括雨量,根據經費情況依次增加氣壓、氣溫、風向、風速和相對…...