SAD-25溫濕照度土壤水分二氧化碳傳感器采集、傳輸一體化設計,超低功耗,可集成多種傳感器及變送器,智能管理、智能傳輸。傳輸距離遠,采用無線2.4G zigbee協議,抗干擾能力更強。16物理信道可選,65535個網絡ID可設,組網能力更強。適用于室內環境測量、農業大棚智能管理等。
技術參數
通用參數
供電:DC 12V(9V~28V)或電池供電(1#鋰離子電池3.6V)
工作頻段:2.4GHz
網絡:ZigBee PRO協議
通信距離:≤800m(空曠環境)
信道:16個(0x00~0x0F)
網絡ID:0x0000-0xFFFE
波特率:38400bps
數據傳輸格式主動上報
主體外殼:ABS白色147mm x 112mm x 46mm(不含探頭)
溫度參數
供電:DC 12V(9V~28V)或電池供電(1#鋰離子電池3.6V)
量程:環境溫度:-20℃~60℃
準確度:環境溫度: ±0.5℃(25℃)
長期穩定性:環境溫度:≤0.5℃/y
分辨率:0.1℃
工作時間:≤1s
啟動時間:≤1s
休眠時間:設置范圍60s~65535s(默認60s)
工作環境:-20℃~60℃;5%RH~95%RH(非結露)
存儲條件:-20℃~60℃;5%RH~95%RH(非結露)
功耗:最大≤0.3W 休眠≤15μW
響應時間:<30s(1m/s風速)
電池壽命:1年(1次/min,25℃±5℃,電量19Ah)
安裝方式:一體式
濕度參數
供電:DC 12V(9V~28V)或電池供電(1#鋰離子電池3.6V)
量程:環境濕度:0%RH~100%RH
準確度:環境濕度:±3%RH(5%RH~95%RH,25℃)
分辨率:0.1%RH
長期穩定性:環境濕度:≤1%RH/y
工作時間:≤1s
啟動時間:≤1s
休眠時間:設置范圍60s~65535s(默認60s)
工作環境:-20℃~60℃;5%RH~95%RH(非結露)
存儲條件:-20℃~60℃;5%RH~95%RH(非結露)
功耗:最大≤0.3W 休眠≤15μW
響應時間:<30s(1m/s風速)
電池壽命:1年(1次/min,25℃±5℃,電量19Ah)
安裝方式:一體式
照度參數
供電:DC 12V(9V~28V)或電池供電(1#鋰離子電池3.6V)
量程:0~50000Lux / 0Lux~200000Lux
準確度:±5%F·S
分辨率:1Lux
長期穩定性:≤2%/y
工作時間:≤1s
啟動時間:≤1s
休眠時間:設置范圍60s~65535s(默認60s)
工作環境:-20℃~60℃;5%RH~95%RH(非結露)
存儲條件:-20℃~60℃;5%RH~95%RH(非結露)
功耗:最大≤0.3W 休眠≤15μW
響應時間:<30s
電池壽命:1年(1次/min,25℃±5℃,電量19Ah)
安裝方式:分體式,線長2m,標準
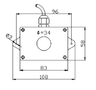
探頭外殼:ABS 108mm x 58mm x 34mm
土壤水分參數
供電:DC 12V(9V~28V)或電池供電(1#鋰離子電池3.6V)
量程:0%~100%
準確度:±3%(0%~50%)
分辨率:0.1
長期穩定性:≤3%/y
工作時間:≤1s
啟動時間:≤1s
休眠時間:≤15μW
工作環境:-20℃~60℃;5%RH~95%RH(非結露)
存儲條件:-20℃~60℃;5%RH~95%RH(非結露)
功耗:最大≤0.3W 休眠≤15μW
響應時間:﹤30s
電池壽命:1年(1次/min,25℃±5℃,電量19Ah)
安裝方式:分體式,線長3.5m,標準
CO2參數
供電:DC 12V(9V~28V)
量程:0ppm~5000ppm(0ppm~2000ppm,0ppm~10000ppm可選)
準確度:±(40ppm+3%F·S)(25℃)
分辨率:1ppm
時間漂移:≤3%F·S/y
溫度漂移:≤0.2%F·S/℃
工作時間:≤5s
啟動時間:≤2min
休眠時間:設置范圍60s~65535s(默認60s)
工作環境:0℃~50℃;0%RH~95%RH(非結露)
存儲條件:0℃~50℃;0%RH~95%RH(非結露)
功耗:最大≤0.96W
響應時間:﹤30s(達到實際90%)
安裝方式:分體式,線長2m,標準
探頭外殼:ABS 113mm x 72mm x 38mm
功能特點
多種傳感器高度集成
符合2.4GHz ZigBee協議
超低功耗設計,產品壽命長
測量準確度高,抗干擾能力強
網絡節點數量大,傳輸距離遠
外形尺寸



(1)實時監測功能 智能農業物聯網系統通過傳感設備實時采集溫室(大棚)內的空氣溫度、空氣濕度、二氧化碳、光照、土壤水分、土壤溫度、棚外溫度與風速等數據;將數據通過移動通訊網絡傳輸給服務管理平臺,服務服管…...
百葉箱里的溫度計是測空氣的溫度。把百葉箱涂成白色,可以反射陽光,減少百葉箱對陽光的吸收,降低百葉箱內部由于日照所引起的溫度變化,最終減少百葉箱里溫度計的測量誤差。...
突發事件(如火災、洪澇災害)的應急響應突發性災害性天氣的現場監控與臨時布網臨時氣象觀測點科研教學,微氣象學研究農業農情灌溉氣象環境指標監測森林火險氣象指標監測等軍事運用的氣象單兵支援環境科研監測的補充觀…...