SAD-32光照度氧氣二氧化碳傳感器采集、傳輸一體化設計,超低功耗,可集成多種傳感器及變送器,智能管理、智能傳輸。傳輸距離遠,采用無線2.4G zigbee協議,抗干擾能力更強。16物理信道可選,65535個網絡ID可設,組網能力更強。適用于室內環境測量、農業大棚智能管理等。
技術參數
通用參數
供電:DC 12V(9V~28V)或電池供電(1#鋰離子電池3.6V)
工作頻段:2.4GHz
網絡:ZigBee PRO協議
通信距離:≤800m(空曠環境)
信道:16個(0x00~0x0F)
網絡ID:0x0000-0xFFFE
波特率:38400bps
數據傳輸格式主動上報
主體外殼:ABS白色147mm x 112mm x 46mm(不含探頭)
照度參數
供電:DC 12V(9V~28V)或電池供電(1#鋰離子電池3.6V)
量程:0~50000Lux / 0Lux~200000Lux
準確度:±5%F·S
分辨率:1Lux
長期穩定性:≤2%/y
工作時間:≤1s
啟動時間:≤1s
休眠時間:設置范圍60s~65535s(默認60s)
工作環境:-20℃~60℃;5%RH~95%RH(非結露)
存儲條件:-20℃~60℃;5%RH~95%RH(非結露)
功耗:最大≤0.3W 休眠≤15μW
響應時間:<30s
電池壽命:1年(1次/min,25℃±5℃,電量19Ah)
安裝方式:分體式,線長2m,標準
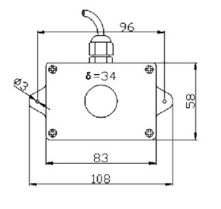
探頭外殼:ABS 108mm x 58mm x 34mm
O2參數
供電:DC 12V(9V~28V)或電池供電(1#鋰離子電池3.6V)
正常量程:0%~25% O2
最大量程:0%~30% O2
準確度:±1%(1個標準大氣壓下,50%RH,20℃)
分辨率:0.1%
時間漂移:≤2%(每三個月)
溫度漂移:≤0.1%/℃
工作時間:≤1s
啟動時間:≤1s
休眠時間:設置范圍60s~65535s(默認60s)
工作環境:0℃~50℃;0%RH~95%RH(非結露)
存儲條件:0℃~50℃;0%RH~95%RH(非結露)
功耗:最大≤0.3W 休眠≤15μW
響應時間:﹤15s(達到實際90%)
使用壽命:兩年
電池壽命:1年(1次/min,25℃±5℃,電量19Ah)
安裝方式:分體式,線長2m,標準
探頭外殼:ABS 91mm x 91mm x 30mm
CO2參數
供電:DC 12V(9V~28V)
量程:0ppm~5000ppm(0ppm~2000ppm,0ppm~10000ppm可選)
準確度:±(40ppm+3%F·S)(25℃)
分辨率:1ppm
時間漂移:≤3%F·S/y
溫度漂移:≤0.2%F·S/℃
工作時間:≤5s
啟動時間:≤2min
休眠時間:設置范圍60s~65535s(默認60s)
工作環境:0℃~50℃;0%RH~95%RH(非結露)
存儲條件:0℃~50℃;0%RH~95%RH(非結露)
功耗:最大≤0.96W
響應時間:﹤30s(達到實際90%)
安裝方式:分體式,線長2m,標準
探頭外殼:ABS 113mm x 72mm x 38mm
功能特點
多種傳感器高度集成
符合2.4GHz ZigBee協議
超低功耗設計,產品壽命長
測量準確度高,抗干擾能力強
網絡節點數量大,傳輸距離遠
外形尺寸


旅游景區環境監測系統是北京方大天云公司專門為景區氣象數據監測而設計的,可以用來實時測量景區內生態環境和氣象環境因子,為景區的實時天氣狀況和生態舒適度指標等氣象數據提供準確、系統的資料。 可同時測量空氣溫…...
自動氣象站最常見的故障:1.雨量,一般為雨量筒堵塞或者干簧管老化;2.采集器不穩定,一般為蓄電池老化導致電壓不穩;3.風向風速維護時注意型號;4.溫濕度傳感器故障時用萬用表測量電;5.太陽能電池板線路老化、采集器…...
(1)實時監測功能 智能農業物聯網系統通過傳感設備實時采集溫室(大棚)內的空氣溫度、空氣濕度、二氧化碳、光照、土壤水分、土壤溫度、棚外溫度與風速等數據;將數據通過移動通訊網絡傳輸給服務管理平臺,服務服管…...